-20CJ90-1喷筑墙体建筑构造一明阳高性能喷筑墙体图集下载
今天为大家分享的是一款比较常用的图集-20CJ90-1喷筑墙体建筑构造一明阳高性能喷筑墙体图集,知识兔根据多种规范编制而来,图集内容完整,知识兔包括不同建筑墙体的构造,比如隔墙龙骨、曲面墙、十字型隔墙、门套等,知识兔适用于多种建筑类型。
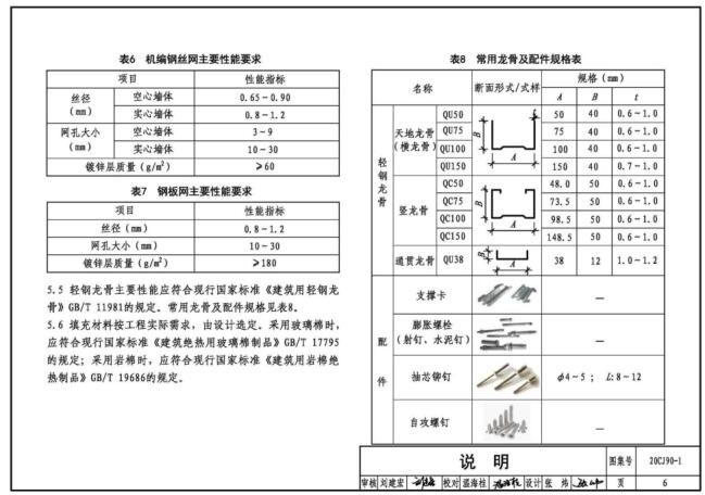
20CJ90-1图集预览
20CJ90-1图集内容介绍
1、装配式轻钢龙骨墙体骨架布置图
2、隔墙龙骨安装示意图
3、门窗洞口龙骨加强构造
4、拱形洞口龙骨加强构造
5、曲面墙、伸缩缝构造
6、隔墙与墙体连接构造
7、T型、L型隔墙及隔墙端部构造
8、十字型隔墙构造
9、隔墙异形连接构造
10、卫生间隔墙构造
11、门套安装构造
12、隔墙阳角构造
13、挂件与隔墙固定构造
14、电气开关、插座安装
15、隔墙与内保温外墙连接构造
16、明阳高性能喷筑墙体施工示意图
20CJ90-1图集百度网盘下载地址:
链接:https://pan.baidu.com/s/1HhgQnLfsWpHcG0ii0SBsqQ?pwd=a735
提取码:a735下载仅供下载体验和测试学习,不得商用和正当使用。














