20T107-1图集免费下载-20T107-1城市轨道交通土建重点施工工艺——明挖法下载
20T107-1图集是基于城市轨道交通土建重点施工工艺设计的一款图集,该图集详细介绍了围护结构、降水、基坑开挖、监控量测、结构防水、模板支架体系、现浇混凝土及附录计算示例等内容,完全符合相关的标准规范,设计的安全性和实用性还是非常不错的。
基本介绍
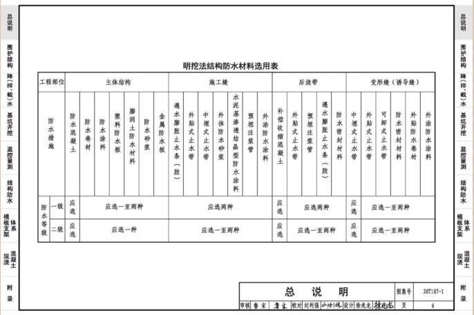
本图集适用于城市轨道交通工程明挖法土建现场施工。本图集以图、表及文字说明的形式阐述了明挖法施工中的围护结构、降(排、截)水、基坑开挖、监控量测、结构防水、模板支架体系和现浇混凝土等七大部分内容,每部分内容由施工工艺流程、施工工艺要点、示意图等组成。编制组对现有城市轨道交通工程明挖法工程实践经验进行了归纳总结,知识兔选择较为常见的施工做法进行阐述,能有效帮助使用者准确理解城市轨道交通工程明挖法土建施工方法,并应用于具体的实际工程中。
20T107-1图集预览
20T107-1图集百度网盘下载地址
链接:https://pan.baidu.com/s/1nvlTPzEUHS4XDfx0KQH1Kw
提取码:wl75
下载仅供下载体验和测试学习,不得商用和正当使用。















