19T202图集免费下载-19T202地铁装配式管道支吊架设计与安装图集下载
19T202图集是一款标准的管道支吊架设计和安装图集,图集详细介绍了不同的管道吊架图,还有具体的装配示意图和支吊架计算等,适合新建、扩建和改建的地铁工程装配式管道支吊架的设计和施工安装。知识兔分享19T202图集免费下载,百度网盘地址。
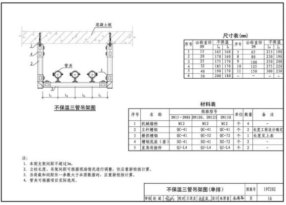
19T202图集预览
19T202图集百度网盘下载地址:
链接:https://pan.baidu.com/s/1ggERE_7SKuGohAqCal_EWw?pwd=wah1
提取码:wah1下载仅供下载体验和测试学习,不得商用和正当使用。











